144MHz FMトランシーバの製作(144F3) ホームに戻る
◆はじめに(2025/11/21)
144MHzのFMトランシーバとして10年程前に144F2機を作りましたが、実運用に合わせた改造が必要になり、型番を144F3機としてまとめ直そうと思います。
144F2機と外付けカウンタ
◆特徴(2025/11/21)
- 周波数表示はオフセット機能付きの周波数カウンタを使い、それ以外はアナログ満載の回路構成。
- 同調はバリキャップを使っており、可変周波数(TUN1)と呼び出し周波数の145MHz(TUN2)をスイッチで切り換え。
- 配線は平ラグ板を使用し回路実験を容易にした。
- ケースは1.5mmと1mm厚のアルミ板で自作。
◆仕様(2025/11/21)
- 周波数 : 145.000〜145.200MHz
- 送信出力 : 0.6W
- 終段 : 2SC2538
- 受信部 : 高1中5ダブルスーパー
- 中間周波数 : 第1中間周波数=10.7MHz、第2中間周波数=455kHz
- 帯域幅 : 10kHz
- 周波数表示 : 周波数カウンタ PLJ-0802A を使用(オフセット周波数10.7MHz)
- サイズ : 幅180×高70×奥行220mm(突起部を含まず)
- 電源電圧 : 12V
◆ケースと配線(2025/11/21)
- ケースはアルミ板で自作した144F2機のものを流用しますが、周波数カウンタを取りつける必要があるため正面パネルは作り直します。
- FM機については試行錯誤の段階であり、配線は回路変更がしやすいよう、平ラグ板を上面3枚下面3枚の計6枚使用します。
正面パネルのデザイン
◆ブロックダイアグラム(2026/1/16)

共通部
◆VXO(2026/1/16)
- 145MHzのメインでCQを出してから別のチャンネルにQSYする場合、混んでいなければ145.000MHz〜145.100MHzが使われており、それ以外の周波数は仲間内のQSOが多いように思います。そのため可変範囲は200kHzほどとし、バリキャップと並列にコンデンサを接続し、上側の周波数を下げることにします。
- 電子同調のメリットを活かし、145.000MHz固定と可変をスイッチで切り換えて運用します。ただ145固定とは言ってもfズレがあるため、周波数調整用のツマミを正面パネルに配置します。
- 14.950MHzの水晶はボントンにて@220で購入しました。

◆周波数表示(2025/11/28)
- 周波数表示には PLJ-0802A というカウンタを使います。以前は1.5K〜2Kで購入できましたが、円安の関係もあり2K〜3Kになっています。それでも安いですけどね。
- オフセット周波数を10.7MHzに設定すると145MHz台が表示されます。
- 問題点としては @ゲートタイムが0.64秒であり、ダイヤルの動きに即追従はできない A送信状態にすると145MHzの信号を拾ってしまい、周波数が正しくは表示されない。
- 無線機に内蔵するのを目的としてコンパクトに作られており、上の問題点もありますが使うことにします。
- 小数点以下の表示は3桁と4桁を選ぶことができます。
- 待ち受け時の省エネのためカウンタ用電源スイッチを付けています。
内蔵する周波数カウンタ
◆送受切替(2025/11/28)
- コンプリメンタリトランジスタの2SC2120と2SA950を使った電子スイッチで、TRのベースをON/OFFすることによって送信側と受信側へ交互に電圧を供給します。消費電流は受信時はほぼゼロで、送信時は25mA。電圧降下は受信時で1V、送信時はほぼゼロです。
- アンテナ切替はオムロンの1回路2接点リレーのG5V-1を使います。コイルにはダイオード10D-1を並列接続し、ON/OFF時に発生するサージ電圧を吸収します。
(左)送受切替 (右)アンテナ切替
受信部
◆受信部の構成(2025/12/5)
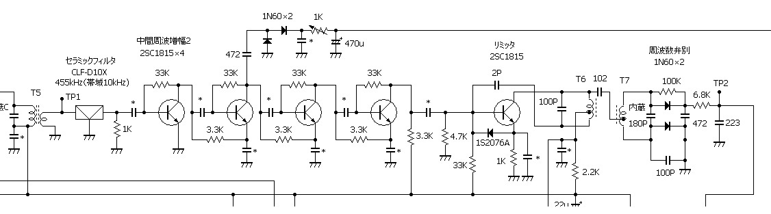
- 高1中5のダブルスーパーとし、第1中間周波数は10.7MHz、第2中間周波数は455kHzです。これはVHFのトランシーバーでは一般的な構成であり、そのためセラミックフィルタや局発の水晶が入手し易くなっています。
- 多段の中間周波増幅で十分に増幅したのち、リミッタによって振幅を制限することでノイズやAM成分をカットしています。
- またそこで発生した雑音はスケルチを動作させるための電圧として利用しています。
- FMの信号はリミッタの後にディスクリミネータ(周波数弁別器)という検波回路を通り、低周波の信号に変換されます。
◆10.7MHzフィルタ(2025/12/5)
10.7MHzのフィルタについては3本足のFMラジオ用セラミックフィルタが市販されていますが、帯域が400kHz程ありアマチュア用には広すぎるため、10.7MHzのHC49US型水晶3本でラダー型のフィルタを組んでみました。フィルタの計算式に従い計算すると、帯域15kHz、水晶の端子間容量2.3PF(実測)で C1=1.9PF、C2=3.8PF となりました。


◆455kHzフィルタ(2025/12/5)
455kHzのフィルタは以前購入した帯域10kHzのセラミックフィルタ(多分5素子)を使います。このような金属ケースに入ったものは見かけなくなりましたが、サトー電気ではムラタのセラフィルを扱っていますので、帯域10kHz前後の物を選べばよいでしょう。

◆中間周波増幅とリミッタ(2025/12/5)
- 4段カスケード接続の中間周波増幅回路は50年以上前のCQ誌JA1AYO丹羽さんの製作記事から引用したものですが、元はモトローラの回路とのことでした。回路が簡単で消費電流が少ないとかのメリットが書かれていたように思います。
- 中間周波で十分に増幅したのち、リミッタで振幅制限をしてノイズやAM成分をカットします。
- T6のコアを抜き方向に回しても内蔵のコンデンサ(180PFチタコン)では同調が取れなかったため、これを外して100PFを外装しています。T7と結合している102(0.001μF)の影響かと思われます。

◆ディスクリのトランスを作る(2025/12/5)
- フォスターシーレ検波をするにはセンタタップのついたディスクリミネータ(周波数弁別器)用のトランスが必要になります。
- 市販されている455kHzIFTのケースを外してコイルを解き、ボビンに0.1UEWを80回巻いてセンタタップを取り、更に80回で合計160回巻いたものを作りました。
- 同調コンデンサは内蔵の180PFチタコンを流用します。
- FM信号はディスクリを通り、f1とf2の2つの特性を合成して周波数の変化を電圧の変化として取り出し音声信号にします。
(左)コイルを解く (中)160回巻き直す (右)ケースを被せて完成
周波数弁別器の原理
ディスクリ出力特性
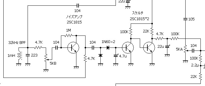
◆スケルチ(2026/1/16)
- 無信号時に発生するFM特有のザーという雑音を聞こえなくするのがスケルチ(Squelch
= 押しつぶす)です。そして信号が入ったときはスケルチを開いて相手局の声が聞こえるようにします。
- ディスクリの出力からフィルタを通して高域の雑音信号を取り出し、増幅・整流してスケルチを動作させる電圧を作ります。
- 雑音があるときはその電圧でスケルチがON状態になり低周波増幅の動作を一時的に止めてスピーカーからの音が出ないようにします。
- 信号が入ると雑音がなくなるため整流電圧が低くなってスケルチがOFF状態になり、スピーカーから音が出ます。
- スケルチに使うフィルタは、低域の音声信号は抑え高域の雑音成分を取り出すことが目的で、ここでは1mH(102)のコイルと0.022μFのコンデンサで32kHzのBPFを組みました。

送信部
◆10.7MHzVXOに周波数変調をかける(2025/12/12)
- 周波数変調部は「ビギナーのためのトランシーバの製作入門」から回路を引用しています。
- 2SC1815でマイクの音を増幅した後、バリキャップ代わりの2SC1815に変位を与えることで2SC1906のVXOに対し周波数変調をかけています。
- 下の画像はマイク入力端子に
@無変調 A1000Hz 5mV(小声) B1000Hz 10mV(少し大き目の声)
を加えた時の波形です。
- 5mVで±5kHz、10mVで±10kHzのデビエーションとなり、普通にしゃべれば通常チャンネルの20kHz以内には納まるでしょう。
- FMの変調回路については @ベクトル合成位相変調 や Aリアクタンス変調 等がありますが、必要な周波数偏移を得るために逓倍段数を多く取らねばならず、回路が複雑になります。しかしVXOに変調をかける方式は簡素化でき、適当に圧縮もかかるためありがたい回路です。

(左)無変調 (中)入力5mV (右)入力10mV
◆送信波形(2025/12/12)
145MHz周辺のスプリアスを見てみました。上の回路図のT18、T19、VR1をスペアナの画面を見ながらスプリアスが少なくなるよう調整すると規格内に納まりました。
測定環境
|
スプリアス
|
周波数帯
|
電波形式
|
搬送波電力
|
測定周波数範囲
|
アッテネータ
|
周波数
|
強度
|
規格限度値
|
判定
|
145.000MHz
|
F3E
|
0.8W (29.5dBm)
|
10MHz〜300MHz
|
40dB
|
138.53MHz
|
23μW
|
50μW以下
|
適合
|
145MHz周辺を観測
◆変調音(2025/12/12)
FMのトランシーバでモニタにして変調音を聞くと、低音の効いた素直な音でした。比較したSTANDARDのVX3は高音が強調されており、ノイズに埋もれ気味の時に了解度の点ではVX3の方が良いかも知れません。
外観
(左)上面 (右)下面
調整編
◆共通部の調整(2025/12/19)
- TP3に周波数カウンタを接続し、T8のコアを回して14.919MHzになるよう調整する。
- TP4に高周波電圧計を接続し、出力が最大になるようT9〜T12のコアを回す。また周波数が134MHz台になっているかを確認する。

◆受信部の調整(2025/12/19)
- 周波数カウンタをTP2に接続し、10.245MHzになるようTC1を回す。
- tinySA→SMAリード線→30dBアッテネータ→SMA/BNC変換コネクタ→144F3機アンテナ端子
- tinySAをSGモードにする。
- FREQは145.000MHz、LEVELは-58.5dBmに設定し、LOW
OUTPUTをONにする。
- tinySAの信号を受信し、T1〜T5のコアを回してSメータの振れが最大になるよう調整する。
- 針が中央付近に来るようLEVELを調整してください。
- TP2にテスター(直流5Vレンジ)を接続し、T6を回して電圧を最大にし、T7を回して電圧がゼロになるよう調整する。
- 感度としてはFT817より少し劣る程度です。
受信部の調整
◆送信部の調整(2025/12/19)
- TP5に周波数カウンタをつなぎ、10.7MHzになるようTC2を調整する。
- アンテナ端子にQRPパワー計をつなぎ、送信部の各コアやトリマを回して出力が最大になるよう調整する。
- スペアナの周波数範囲は100MHz〜200MHzに設定する。
- スペアナ→SMAケーブル→30dBアッテネータ→BNC/SMA変換コネクタ→144F3機の順に接続する。
- スペアナの画面を見ながら主信号は最大に、スプリアスは最小になるよう各トリマやコアを調整する。

(左)QRPパワー計を接続 (右)スペアナを接続
◆製作を終えて(2025/12/19)
1970年頃のCQ誌に144MHzFMハンディトランシーバーの製作記事があり、学生だった当時これを作ってみたいとバラック実験を始め、受信部までは出来たもののテスターとディップメーターしか持ってなかった測定環境に技術力不足が加わり、送信部で行き詰って製作を断念しました。その後、社会人になってからはハンディFMトランシーバーが数万円で買えるようになり、出張や旅行の時には携帯してQSOを楽しんだものです。しかし頭の片隅には「自作出来なかった」というやり残し感があり、定年退職後の自由時間を活用し、再び取り組むことにしました。昨今のFMトランシーバーの製作記事を見るとかなりの部分がIC化され、回路が単純になって調整箇所が減り、成功する確率は高くなったものの動作原理が分かりにくくなっています。そのためディスクリートで組んだ回路と解説をWeb上に残しておくことはオールドハムの役割なのかなと、色々と理由をこじつけながら昔の部品を活用して製作を楽しんでいる次第です。
<完了>
参考文献
- ビギナーのためのトランシーバー製作入門 千葉秀明 著 CQ出版社