430MHzSSBハンディトランシーバー(430H1)の改造 ホームに戻る
◆はじめに(2026/1/9)
430MHzSSBハンディトランシーバーとして430H1機を作りましたが、実際に運用してみると幾つかの不満点が出て来るものです。これを何とかしたいと対策をすることにしました。
430H1機
課題編
◆3つの問題点(2026/1/9)
1.消費電流が多い
2.電圧変動による同調点のずれ
3.空芯コイルの上を真鍮板で覆った
対策編
◆増幅素子の変更(2026/1/9)
DBM後の増幅を2SK125パラから2SC2644(fT=4GHz)に変更しました。

◆電源電圧に対する出力(2026/1/9)
電源電圧を増減した時の送信出力を調べてみました。2SK125のような同調点のズレによる出力の低下はありませんでした。

◆空芯コイルの形状変更(2026/1/9)
使用した銅線の長さは50mmで同じですが、形状を円形から長円形につぶすことでコイルの上部に短径の2倍の空間を確保しました。
(左)円形コイル (右)長円形コイル
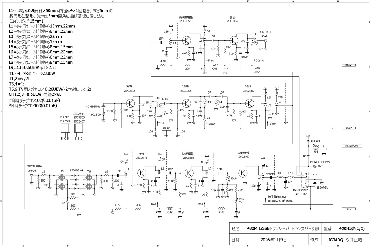
◆対策基板と交換(2026/1/9)
新作した基板に交換することで問題点であった以下の3点は解消しました。
作り直したトランスバータ基板
◆改造を終えて(2026/1/9)
小さなケースに多くの部品を詰め込むハンディ機は、ゆったり組んだ固定機に比べると色々な問題点が出て来るものです。しかし原因が分かれば対策を打つことができ、それがノウハウとして残ります。大きなつまづきは精神的に凹みますが、小さなつまづきは乗り越える楽しみがあるものです。
<完了>